IH型不銹鋼化工離心泵概述

IH型不銹鋼
化工離心泵是單級單吸懸臂式離心泵,其標記額定性能點和尺寸等效果用國際標準IS02858-1975(E),是一種用以取代F型耐腐蝕泵更新換代的節能產品,該系列化工離心泵根據節能型泵的性能、技術要求和試驗方法等而設計,它是我國推廣的節能泵類產品之一。是大東海泵業有限公司科技人員聯合國內水泵專家選用國內******水力模型設計開發。供吸送清水及物理化學性質類似水不含固體顆粒的液體。廣泛用于工農業城市排水、消防供水等。供輸送20℃~105℃的腐蝕性介質或物理、化學性能類似于水的介質。
IH型不銹鋼化工離心泵產品特點
IH型不銹鋼化工
離心泵具有水利性能布局合理、可靠,體積小,質量輕,抗汽蝕性能好,電耗低,使用檢修方便,工作效率高等優點。IH型單級單吸離心泵為臥式結構,其結構設計基本能滿足所有管道安裝。
IH型不銹鋼化工離心泵型號意義
IH型不銹鋼化工離心泵結構特點
IH型
不銹鋼化工離心泵泵蓋通過止口固定在中間支架上,然后通過泵體與中間支架止口的聯接把泵蓋夾緊在中間,泵體是軸向吸入,徑向排出,腳支承式,可直接固定在底座上。懸架部件通過止口固定固定在中間支架上,并用懸架支架支撐在底座上。為拆卸方便,設計了加長聯軸器,檢修時可以不拆卸進出口聯接管路,泵體和電動機。只需拆下聯軸器的中間聯接件,即可退出轉子部件進行檢修。這是國際上通用的一種結構形式。不銹鋼化工離心泵的旋轉方向:泵通過加長聯軸器由電動機直接驅動,從電動機端看,按順時針方向旋轉。
 |
1 |
泵體 |
7 |
軸鍵 |
|
2 |
葉輪螺母 |
8 |
填料環 |
|
3 |
制動墊母 |
9 |
填料 |
|
4 |
密封 |
10 |
填料壓蓋 |
|
5 |
葉輪 |
11 |
懸架軸承部件 |
|
6 |
泵蓋 |
12 |
軸 |
IH型不銹鋼化工離心泵的旋轉方向
IH型不銹鋼化工泵通過加長聯軸器由電動機直接驅動,從電動機端看,按順時針方向旋轉。
IH型不銹鋼化工離心泵性能范圍
流量Q:6.3~400m3/h
揚程H:5~132m
轉速n:2900、1450r/min
配帶功率:0.55~110KW
進口直徑:50~200mm
最高工作壓力:1.6Mpa
IH型化工泵有29個基本型,其中22個雙速(2900、1450r/min)經過A、B兩種型式的葉輪直徑切割變型后,達112個規格。
IH型不銹鋼化工離心泵使用條件
IH型不銹鋼化工泵的最高工作設計壓力為1.6兆帕。介質溫度不高于80℃。需要時采用雙端面密封冷卻裝置,可輸送介質溫度為20℃~+280℃。
注:用戶可根據被輸送介質的腐蝕性程度對泵的過流部分主要零件選用不同材料。
IH型不銹鋼化工離心泵的軸封型式
填料密封:泵蓋內設有填料函,采用軟填料密封,填料函內可通入有一定壓力的水,供密封冷卻,潤滑、清洗用。
機械密封:單端面機械密封和雙端面機械密封兩種型式,密封腔內通入一定壓力的水,沖洗磨擦兩端面,同時起冷卻作用。
泵的密封型式采用填料密封或機械密封,由用戶根據需要適用,同時根據需要允許采用適合于ISO3069規定的密封空腔尺寸和其他結構的軸封型式,如帶波紋管的機械密封和付葉輪密封等等。
IH型化工泵輸送介質溫度為-20℃~105℃,需要時采用雙端面密封冷卻裝置,可輸送介質溫度為20℃~+280℃。適用于化工、石油、冶金、電力、造紙、食品、制藥、環保、廢水處理和合成纖維等行業用于輸送各種腐蝕的或不允許污染的類似于水的介質。
IH型不銹鋼化工離心泵性能參數
|
型號 |
轉速 |
流量(m3/h) |
流量(L/S) |
揚程
(m) |
效率
(%) |
軸功率
(Kw) |
配用功率 |
汽蝕余量(m) |
重量
(kg) |
|
介質密度 |
|
1.0 |
1.35 |
1.85 |
|
IH50-32-125 |
2900 |
12.5 |
3.47 |
20 |
51 |
1.33 |
2.2 |
3.0 |
4.0 |
2.0 |
45 |
|
1450 |
6.3 |
1.74 |
5.0 |
45 |
0.19 |
0.55 |
0.55 |
0.55 |
2.0 |
45 |
|
IH50-32-160 |
2900 |
12.5 |
3.47 |
32 |
46 |
2.37 |
3.0 |
4.0 |
5.5 |
2.0 |
49 |
|
1450 |
6.3 |
1.74 |
8.0 |
40 |
0.34 |
0.55 |
0.75 |
1.1 |
2.0 |
49 |
|
IH50-32-200 |
2900 |
12.5 |
3.47 |
50 |
39 |
4.36 |
5.5 |
7.5 |
11 |
2.0 |
59 |
|
1450 |
6.3 |
1.74 |
12.5 |
33 |
0.65 |
1.1 |
1.1 |
1.5 |
2.0 |
59 |
|
IH50-32-250 |
2900 |
12.5 |
3.47 |
80 |
33 |
8.25 |
11 |
15 |
18.5 |
2.0 |
93 |
|
1450 |
6.3 |
1.74 |
20 |
27 |
1.27 |
2.2 |
2.2 |
3.0 |
2.0 |
93 |
|
IH65-50-125 |
2900 |
25 |
1.53 |
2.0 |
62 |
2.2 |
3.0 |
4.0 |
5.5 |
2.0 |
47 |
|
1450 |
12.5 |
6.94 |
5.0 |
55 |
0.31 |
0.55 |
0.55 |
0.75 |
2.0 |
47 |
|
IH65-50-160 |
2900 |
25 |
2.78 |
32 |
57 |
3.82 |
5.5 |
7.5 |
11 |
2.0 |
53 |
|
1450 |
12.5 |
6.94 |
8.0 |
51 |
0.53 |
0.75 |
1.1 |
1.5 |
2.0 |
53 |
|
IH65-40-200 |
2900 |
25 |
2.92 |
50 |
52 |
6.55 |
11 |
11 |
15 |
2.0 |
63 |
|
1450 |
12.5 |
6.94 |
12.5 |
46 |
0.93 |
1.5 |
2.2 |
2.2 |
2.0 |
63 |
|
IH65-40-250 |
2900 |
25 |
2.92 |
80 |
46 |
46 |
15 |
3.0 |
30 |
2.0 |
99 |
|
1450 |
12.5 |
6.94 |
20 |
39 |
39 |
2.2 |
37 |
4.0 |
2.0 |
99 |
|
IH65-40-315 |
2900 |
25 |
3.06 |
125 |
39 |
39 |
30 |
5.5 |
55 |
2.0 |
116 |
|
1450 |
12.5 |
6.94 |
32.0 |
33 |
33 |
5.5 |
5.5 |
7.5 |
2.0 |
116 |
|
IH80-65-125 |
2900 |
50 |
13.9 |
20 |
69 |
3.95 |
5.5 |
7.5 |
11 |
3.0 |
52 |
|
1450 |
25 |
6.94 |
5.0 |
64 |
0.53 |
0.75 |
1.1 |
1.5 |
2.5 |
52 |
|
IH80-65-160 |
2900 |
50 |
13.9 |
32 |
67 |
6.5 |
11 |
11 |
15 |
2.3 |
57 |
|
1450 |
25 |
6.94 |
8.0 |
62 |
0.88 |
1.5 |
1.5 |
2.2 |
2.3 |
57 |
|
IH80-50-200 |
2900 |
50 |
13.9 |
50 |
63 |
10.8 |
15 |
18.5 |
30 |
2.5 |
65 |
|
1450 |
25 |
6.94 |
12.5 |
54 |
0.83 |
1.1 |
1.5 |
2.2 |
2.0 |
65 |
|
IH80-50-250 |
2900 |
50 |
13.9 |
80 |
58 |
18.8 |
30 |
37 |
45 |
2.5 |
103 |
|
1450 |
25 |
6.94 |
20 |
52 |
2.62 |
4.0 |
5.5 |
7.5 |
2.0 |
103 |
|
IH80-50-315 |
2900 |
50 |
13.9 |
125 |
52 |
32.73 |
45 |
55 |
75 |
2.0 |
121 |
|
1450 |
25 |
6.94 |
32 |
48 |
4.54 |
7.5 |
7.5 |
11 |
2.0 |
121 |
|
IH100-80-125 |
2900 |
100 |
27.8 |
20 |
73 |
7.47 |
11 |
15 |
18.5 |
4.5 |
57 |
|
1450 |
50 |
13.9 |
5.0 |
68 |
1.0 |
1.5 |
2.2 |
3.0 |
3.5 |
57 |
|
IH100-80-160 |
2900 |
100 |
27.8 |
32 |
73 |
11.9 |
15 |
22 |
30 |
4.3 |
87 |
|
1450 |
50 |
13.9 |
8.0 |
69 |
1.58 |
2.2 |
3.0 |
4.0 |
3.4 |
87 |
|
IH100-65-200 |
2900 |
100 |
27.8 |
50 |
72 |
18.9 |
30 |
37 |
45 |
3.9 |
96 |
|
1450 |
50 |
13.9 |
12.5 |
68 |
2.5 |
3.0 |
4.0 |
5.5 |
2.5 |
96 |
|
IH100-65-250 |
2900 |
100 |
27.8 |
80 |
68 |
32.0 |
45 |
55 |
75 |
3.6 |
115 |
|
1450 |
50 |
13.9 |
20 |
63 |
4.3 |
5.5 |
7.5 |
11 |
2.5 |
115 |
|
IH100-65-315 |
2900 |
100 |
55.6 |
125 |
62 |
54.9 |
75 |
90 |
132 |
3.2 |
166 |
|
1450 |
50 |
27.8 |
32 |
58 |
7.5 |
11 |
15 |
18.5 |
2.0 |
166 |
|
IH125-100-200 |
2900 |
200 |
55.6 |
50 |
77 |
35.4 |
45 |
55 |
90 |
5.0 |
99 |
|
1450 |
100 |
27.8 |
12.5 |
73 |
4.66 |
7.5 |
11 |
15 |
2.9 |
99 |
|
IH125-100-250 |
2900 |
200 |
55.6 |
80 |
75 |
58.1 |
11 |
110 |
132 |
4.5 |
151 |
|
1450 |
100 |
27.8 |
20 |
72 |
7.56 |
132 |
15 |
18.5 |
2.3 |
151 |
|
IH125-100-315 |
2900 |
200 |
55.6 |
125 |
72 |
94.56 |
18.5 |
160 |
220 |
4.5 |
166 |
|
1450 |
100 |
27.8 |
32 |
65 |
13.41 |
18.5 |
22 |
30 |
2.8 |
166 |
|
IH125-100-400 |
1450 |
100 |
27.8 |
50 |
55 |
14.74 |
18.5 |
30 |
37 |
2.5 |
211 |
|
IH150-125-250 |
1450 |
200 |
55.6 |
20 |
77 |
14.1 |
30 |
30 |
37 |
2.5 |
165 |
|
IH150-125-315 |
1450 |
200 |
55.6 |
32 |
75 |
23.2 |
30 |
37 |
55 |
2.8 |
196 |
|
IH150-125-400 |
1450 |
200 |
55.6 |
50 |
70 |
38.9 |
55 |
75 |
90 |
2.8 |
238 |
|
IH200-150-250 |
1450 |
400 |
111.1 |
20 |
77 |
28.3 |
37 |
55 |
75 |
2.5 |
195 |
|
IH200-150-315 |
1450 |
400 |
111 |
32 |
79 |
44.1 |
55 |
75 |
110 |
4.0 |
269 |
|
IH200-150-400 |
1450 |
400 |
111 |
50 |
78 |
39.8 |
90 |
132 |
160 |
3.5 |
290 |
IH型不銹鋼化工離心泵安裝
一、IH型不銹鋼化工離心泵的安裝是否合理,對泵的正常運行和使用壽命有很重要的影響,所以安裝前必須仔細校正,不得草率,泵的外形及安裝尺寸。
二、必須保證泵在工作時不超過其允許汽蝕余量。泵的吸上高度(或倒灌高度)必須根據泵的汽蝕余量特性,管路阻力損失特性及高溫水的吸入液面壓力來確定。
1、泵吸上使用情況下,應在吸入管路上裝上底閥,并在出口管路上設置壤液螺孔或閥門,以供起動前灌泵之用。
2、泵倒灌使用情況下,應在吸入管路上裝上閥門和過濾器,以免雜物進入。
三、吸入和吐出管路應該另有支架,不能用作支承。
四、安裝的地點,應便于巡回檢查和檢修。
五、IH型不銹鋼化工離心泵安裝順序:
1、將機組放在埋有地腳螺栓的基礎上,在底座和基礎之間放置成對的楔墊作找正之用。
2、松開聯軸器。用水平儀分別放在泵軸或底座上,通過調整禊墊,找正機組的水平后,適當擰緊地腳螺栓,以防走動。
3、用混凝土灌注底座和地腳螺檢孔。
4、待混凝土干涸后,應擰緊地腳螺栓,并重新檢查泵軸的氷平度。
5、在接好管路及確定原動機轉動方向以后,接上聯軸器,再核對一遍軸的同心度,測量聯軸器的外園上下,左右的差異不得超過0.1mm,兩聯軸器端面間隙,在一周內******和最小的間咪差不得超過0.3mm.
6、在機組實際運行3 — 4小時后作最后檢查,如無不良現象,則認為安裝合格。
IH型不銹鋼化工離心泵起動前準備
1、IH型不銹鋼化工泵起動前要把泵和現場清理千凈。
2、檢查托架內潤滑油量是否適量(油面在油位計中心線2mm左右)油位計是否完好。
3、未接聯軸器前檢查原動機的轉向,與泵的轉向箭頭一致后,接好聯軸器。
4、在裝好機械密封或填料和聯軸器后可方使地用手轉動泵軸,應無碰擦現象,并將聯軸器的防護罩安裝好。
5、IH型不銹鋼化工泵在吸上情況下使用,起動前應灌泵或抽真空;泵在倒灌情況下使用,起動前應用所輸送液體將泵灌滿,驅除泵中的空氣后,將吐出管的閘閥關閉。
6、IH型不銹鋼化工泵起動前檢查基礎螺檢有無松動。壓蓋是否歪斜,以及潤滑油和冷卻水的供應情況。
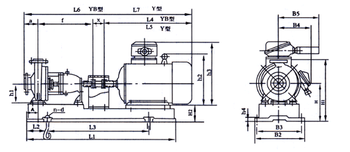
IH型不銹鋼化工離心泵外形尺寸圖
|
產品型號 |
電機型號功率(Kw) |
外形及安裝尺寸 |
|
A |
L1 |
L2 |
L3 |
L4 |
a |
f |
X |
L5 |
B2 |
B3 |
B4/B5 |
h1 |
h2/h2' |
h3 |
H |
H1 |
H2 |
n-d |
|
IH50-32-125 |
YB801-4/0.55 |
|
820 |
150 |
540 |
330 |
80 |
385 |
100 |
895 |
360 |
320 |
150/225 |
112 |
170/325 |
25 |
197 |
317 |
442 |
4-φ19 |
|
YB802-2/1.1 |
|
YB90S-2/1.5 |
80 |
360 |
925 |
155/225 |
190/340 |
|
|
YB90L-2/2.2 |
920 |
170 |
600 |
385 |
950 |
390 |
350 |
30 |
447 |
|
YB100L-2/3.0 |
430 |
995 |
180/225 |
245/370 |
467 |
|
IH50-32-160 |
YB801-4/0.55 |
|
820 |
150 |
540 |
330 |
80 |
385 |
100 |
895 |
360 |
320 |
150/225 |
132 |
170/325 |
25 |
217 |
377 |
462 |
4-φ19 |
|
YB802-4/0.75 |
25 |
|
YB90S-4/1.1 |
360 |
925 |
155/225 |
190/340 |
25 |
467 |
|
YB90L-2/2.2 |
80 |
920 |
170 |
600 |
385 |
950 |
390 |
350 |
30 |
|
YB100L-2/3.0 |
430 |
995 |
180/225 |
245/370 |
30 |
482 |
|
YB112M-2/4.0 |
460 |
1025 |
190/225 |
265/385 |
30 |
490 |
|
YB132S1-215.5 |
1020 |
190 |
660 |
510 |
1070 |
450 |
400 |
210/240 |
315/430 |
60 |
510 |
4-φ24 |
|
IH50-32-200 |
YB801-4/0.55 |
80 |
820 |
150 |
540 |
330 |
80 |
385 |
100 |
895 |
360 |
320 |
150/225 |
160 |
1701325 |
30 |
245 |
425 |
490 |
4-φ19 |
|
YB802-4/0.75 |
|
YB90S-4/I.I |
360 |
925 |
155/225 |
190/340 |
25 |
495 |
|
YB90L-4/1.5 |
920 |
170 |
600 |
380 |
950 |
390 |
350 |
30 |
|
YB112M-2/4.0 |
460 |
1025 |
1901225 |
265/385 |
30 |
518 |
|
YB132S1-215.5 |
1020 |
190 |
660 |
510 |
1075 |
450 |
400 |
210/240 |
3151430 |
30 |
260 |
440 |
543 |
4-φ24 |
|
YB132S2-2/7.5 |
30 |
|
YB160M1-2/11 |
1140 |
210 |
740 |
655 |
1220 |
490 |
440 |
255/240 |
385/485 |
30 |
585 |
|
IH50-32-250 |
YB90S-4/1.1 |
95 |
1020 |
190 |
660 |
360 |
100 |
500 |
100 |
1060 |
450 |
400 |
155/255 |
180 |
1901340 |
30 |
265 |
490 |
515 |
4-φ24 |
|
YB90L-4/1.5 |
385 |
1085 |
|
YB100L1-4/2.2 |
430 |
1130 |
1801225 |
245/370 |
535 |
|
YB100L2-4/3.0 |
|
YB132S2-2/7.5 |
1140 |
210 |
740 |
510 |
1210 |
490 |
440 |
210/240 |
315/430 |
280 |
525 |
578 |
|
YB160M1-2/11 |
12K |
225 |
840 |
655 |
1355 |
540 |
490 |
255/240 |
385/485 |
300 |
625 |
|
YB160M2-2/15 |
|
YB160L-2/18.5 |
695 |
1395 |
|
YB180M1-2/22 |
730 |
1430 |
2851240 |
4301525 |
645 |
|
產品型號 |
電機型號功率(Kw) |
外形及安裝尺寸 |
|
A |
L1 |
L2 |
L3 |
L4 |
a |
f |
x |
L5 |
B2 |
B3 |
B4/B5 |
h1 |
h2/h2' |
h3 |
H |
H1 |
H2 |
n-d |
|
IH65-50-125 |
YB801-4/0.55 |
80 |
820 |
150 |
540 |
330 |
80 |
385 |
100 |
895 |
360 |
320 |
150/225 |
112 |
170/325 |
25 |
197 |
337 |
442 |
4-φ19 |
|
YB802-4/0.75 |
|
YB90L-2/2.2 |
920 |
170 |
600 |
385 |
950 |
390 |
350 |
155/225 |
190/340 |
30 |
447 |
|
YB100L-2/3.0 |
430 |
995 |
180/225 |
245/370 |
467 |
|
YBI12M-2/4.0 |
460 |
1025 |
190/225 |
265/385 |
495 |
|
YB132S1-2/5.5 |
020 |
190 |
660 |
510 |
1075 |
450 |
400 |
210/240 |
315/430 |
490 |
4-φ24 |
|
IH65-50-160 |
YB801-4/0.55 |
80 |
820 |
150 |
540 |
330 |
80 |
385 |
100 |
895 |
360 |
320 |
150/225 |
132 |
170/325 |
25 |
217 |
377 |
462 |
4-φ19 |
|
YB802-4/0.75 |
|
YB90S-4/1.1 |
360 |
925 |
155/225 |
190/340 |
467 |
|
YB90L-4/1.5 |
920 |
170 |
600 |
385 |
950 |
390 |
350 |
30 |
|
YB100L-2/3.0 |
430 |
995 |
180/225 |
245/370 |
487 |
|
YB112M-2/4.0 |
460 |
1025 |
190/225 |
265/385 |
490 |
|
YB132S1-2/5.5 |
1020 |
190 |
660 |
510 |
1075 |
450 |
400 |
210/240 |
315/430 |
30 |
212 |
372 |
515 |
4-φ24 |
|
YB132S-2/7.5 |
|
YB160M1-2/11 |
140 |
210 |
740 |
655 |
1220 |
490 |
440 |
255/240 |
385/485 |
557 |
|
IH65-40-200 |
YB802-4/0.75 |
80 |
920 |
170 |
600 |
330 |
100 |
385 |
100 |
915 |
390 |
350 |
150/225 |
160 |
170/325 |
30 |
245 |
425 |
490 |
4-φ19 |
|
YB90S-4/1.1 |
360 |
945 |
155/225 |
190/340 |
495 |
|
YB90L-4/1.5 |
385 |
970 |
|
YB100L1-4/2.2 |
430 |
1015 |
180/225 |
245/370 |
515 |
|
YB132S1-2/5.5 |
1020 |
190 |
660 |
510 |
1095 |
450 |
400 |
210/240 |
315/430 |
30 |
260 |
425 |
543 |
4-φ24 |
|
YB132S1-2/7.5 |
|
YB160M1-2/11 |
1140 |
210 |
740 |
655 |
1240 |
490 |
440 |
255/240 |
|
385/485 |
440 |
585 |
|
YB160Mr2/15 |
|
IH65-40-250 |
YB90S-4/1.1 |
|
1020 |
190 |
660 |
360 |
100 |
500 |
100 |
1060 |
450 |
400 |
155/225 |
|
190/340 |
|
265 |
490 |
515 |
4-φ24 |
|
YB90L-4/I.5 |
385 |
1080 |
|
YB100L1-4/2.2 |
|
1130 |
180/225 |
245/370 |
535 |
|
YB100L1-4/3.0 |
430 |
|
YB112M-4/4.0 |
460 |
1160 |
190/225 |
265/385 |
30 |
538 |
|
YB160M1-2/11 |
95 |
1270 |
225 |
840 |
655 |
1355 |
540 |
490 |
255/240 |
180 |
385/485 |
300 |
525 |
625 |
|
YB160M-2/15 |
|
YB160L-2/18.5 |
695 |
1395 |
|
YB180M-2/22 |
730 |
1420 |
285/240 |
430/525 |
645 |
|
YB200L1-2/30 |
1420 |
250 |
940 |
803 |
1503 |
610 |
550 |
310/290 |
475/590 |
40 |
320 |
545 |
710 |
4-φ28 |
|
IH65-40-315 |
YB100L-4/3.0 |
95 |
1140 |
210 |
740 |
430 |
125 |
500 |
100 |
1155 |
490 |
440 |
180/225 |
|
245/370 |
30 |
300 |
550 |
570 |
4-φ24 |
|
YB112M-4/4.0 |
460 |
1185 |
190/225 |
265/385 |
573 |
|
YB132S-4/5.5 |
510 |
1235 |
210/240 |
315/430 |
598 |
|
YB132M-4/7.5 |
550 |
1275 |
|
YB160M-4/11 |
1270 |
225 |
840 |
655 |
1380 |
540 |
490 |
255/240 |
385/485 |
320 |
570 |
645 |
|
YB160M-2/15 |
200 |
|
YB160L-2/18.5 |
695 |
1420 |
|
YB180M-2/22 |
730 |
1455 |
285/240 |
430/525 |
665 |
|
YB200L1-2/30 |
1420 |
250 |
940 |
803 |
1528 |
610 |
550 |
310/290 |
475/590 |
40 |
340 |
590 |
730 |
4-φ28 |
|
YB200L-2/37 |
|
YB225M-2/45 |
840 |
1565 |
345/290 |
530/615 |
|
產品型號 |
電機型號功率(Kw) |
外形及安裝尺寸 |
|
A |
L1 |
L2 |
L3 |
L4 |
a |
f |
X |
L5 |
B2 |
B3 |
B4/B5 |
h1 |
H2/h2' |
h3 |
H |
H1 |
H2 |
n-d |
|
IH80-65-125 |
YB801-4/0.55 |
80 |
820 |
150 |
540 |
330 |
100 |
385 |
100 |
915 |
360 |
320 |
150/225 |
|
170/325 |
25 |
217 |
377 |
462 |
4-φ19 |
|
YB802-4/0.75 |
|
YB90S-4/1.1 |
360 |
945 |
155/225 |
190/340 |
467 |
|
YB90L-4/1.5 |
920 |
170 |
600 |
380 |
970 |
390 |
350 |
|
YB100L-2/3.0 |
430 |
1015 |
180/225 |
132 |
245/370 |
30 |
487 |
|
YB112M-2/4.0 |
460 |
1045 |
190/225 |
265/385 |
490 |
|
YB132S1-2/5.5 |
1020 |
190 |
660 |
510 |
1095 |
450 |
400 |
210/240 |
315/430 |
515 |
4-φ24 |
|
YB132S2-2/7.5 |
|
YB160M1-2/11 |
1140 |
210 |
740 |
655 |
1240 |
490 |
440 |
255/240 |
385/485 |
232 |
392 |
557 |
|
IH80-65-160 |
YB802-4/0.75 |
|
920 |
170 |
600 |
330 |
100 |
385 |
100 |
915 |
390 |
350 |
150/225 |
|
170/325 |
25 |
245 |
425 |
490 |
4-φ19 |
|
YB90S-4/1.1 |
360 |
945 |
155/225 |
190/340 |
|
495 |
|
YB90L-4/1.5 |
385 |
970 |
|
YB100L1-4/2.2 |
430 |
1015 |
180/225 |
245/370 |
515 |
|
1喝132S1-2/5.5 |
80 |
1020 |
190 |
660 |
510 |
1095 |
450 |
400 |
210/240 |
160 |
315/430 |
30 |
543 |
4-φ24 |
|
YB132S2-2/7.5 |
|
YB160MI-2/II |
1140 |
210 |
740 |
655 |
1240 |
490 |
440 |
255/240 |
385/485 |
260 |
440 |
585 |
|
YB160M2-2/15 |
|
IH80-50-200 |
YB90S-4/1.1 |
80 |
920 |
170 |
600 |
360 |
100 |
385 |
100 |
945 |
390 |
350 |
155/225 |
|
190/340 |
|
245 |
445 |
495 |
4-φ18.5 |
|
YB90L-4/1.5 |
385 |
970 |
|
YB100L1-4/2.2 |
430 |
1015 |
180/225 |
245/370 |
515 |
|
YB100L2-4/3.0 |
|
YBI12M-4/4.0 |
460 |
1045 |
190/225 |
265/385 |
518 |
|
YB132S2-2/7.5 |
1020 |
190 |
660 |
510 |
1095 |
450 |
400 |
210/240 |
160 |
315/430 |
30 |
543 |
4-φ24 |
|
YB160MI-2/11 |
1140 |
210 |
740 |
655 |
1240 |
490 |
440 |
255/240 |
385/485 |
260 |
460 |
585 |
|
YB160M2-2/15 |
1280 |
|
YB160L-2/18.5 |
695 |
|
YB180M-2/22 |
730 |
1315 |
285/240 |
430/525 |
260 |
460 |
605 |
|
IH80-50-250 |
YB100L1-4/2.2 |
95 |
1020 |
190 |
660 |
430 |
125 |
500 |
100 |
1155 |
450 |
400 |
180/225 |
|
245/370 |
|
265 |
490 |
535 |
4-φ24 |
|
YB100L2-4/3.0 |
|
YB112M-4/4.0 |
460 |
1185 |
190/225 |
265/385 |
505 |
538 |
|
YB1325-415.5 |
1140 |
210 |
740 |
510 |
1235 |
490 |
440 |
210/240 |
315/430 |
30 |
280 |
578 |
|
YB132M-4/7.5 |
550 |
1275 |
|
YB160M2-2/15 |
1270 |
225 |
840 |
655 |
1380 |
540 |
490 |
255/240 |
180 |
385/485 |
300 |
525 |
625 |
|
YB160L-2/18.5 |
695 |
1420 |
|
YB180M-2/22 |
730 |
1455 |
285/240 |
430/525 |
645 |
|
YB200L1-2/30 |
1420 |
250 |
940 |
803 |
1528 |
610 |
550 |
310/290 |
475/590 |
40 |
320 |
545 |
715 |
4-φ28 |
|
YB200L1-2/37 |
|
YB225M-2/45 |
840 |
1565 |
345/290 |
530/615 |
730 |
|
IH80-50-315 |
YB112M-4/4.0 |
|
1140 |
210 |
740 |
460 |
125 |
500 |
100 |
1135 |
490 |
440 |
190/225 |
|
265/385 |
30 |
325 |
605 |
598 |
4-φ24 |
|
YB132S-4/5.5 |
510 |
1235 |
210/240 |
315/430 |
623 |
|
YB132M-4/7.5 |
550 |
1275 |
|
YB160M-4/11 |
1270 |
225 |
840 |
655 |
1380 |
540 |
490 |
255/240 |
385/485 |
40 |
345 |
625 |
670 |
|
YB160L-4/15 |
695 |
1420 |
|
YB200L1-2/30 |
95 |
1420 |
250 |
940 |
803 |
1528 |
610 |
550 |
310/290 |
225 |
475/590 |
|
365 |
645 |
755 |
4-φ28 |
|
YB200L2-2/37 |
|
YB225M-2/45 |
840 |
1565 |
345/290 |
530/615 |
40 |
|
YB250M-2/55 |
1620 |
290 |
1060 |
935 |
1660 |
660 |
600 |
385/330 |
575/740 |
385 |
665 |
875 |
|
YB280S-2/75 |
1820 |
320 |
120c |
1010 |
1735 |
730 |
670 |
410/330 |
640/800 |
385 |
665 |
905 |
|
產品型號 |
電機型號功率(Kw) |
外形及安裝尺寸 |
|
A |
L1 |
L2 |
L3 |
k |
a |
f |
X |
L5 |
B2 |
B3 |
B4/B5 |
h1 |
H2/h2' |
h3 |
H |
H1 |
H2 |
n-d |
|
IH100-80-125 |
YB802-4/0.75 |
95 |
920 |
170 |
600 |
330 |
|
|
|
915 |
390 |
|
150/225 |
|
170/325 |
30 |
245 |
425 |
490 |
4-φ19 |
|
YB90S-4/1.1 |
360 |
945 |
155/225 |
190/340 |
495 |
|
YB90L-4/1.5 |
385 |
970 |
350 |
|
YBI00L1-4/2.2 |
430 |
:015 |
180/225 |
245/370 |
515 |
|
YB100L-4/3.0 |
|
YBI12M-4/4.0 |
460 |
100 |
385 |
100 |
1045 |
190/225 |
160 |
265/385 |
518 |
|
YB132S1-2/5.5 |
1020 |
190 |
660 |
510 |
1095 |
450 |
400 |
210/240 |
315/430 |
|
245 |
425 |
543 |
4-φ24 |
|
YB132S2-2/7.5 |
|
YB160M1-2/11 |
1140 |
210 |
740 |
655 |
1240 |
490 |
440 |
255/240 |
385/485 |
30 |
260 |
440 |
585 |
|
YB160M2-2/15 |
|
IH100-80-160 |
YB90L-4/1.5 |
95 |
1020 |
190 |
660 |
385 |
100 |
500 |
100 |
1085 |
450 |
400 |
155/225 |
|
190/340 |
|
245 |
445 |
495 |
4-φ24 |
|
YB100L1-4/2.2 |
430 |
1130 |
1801225 |
245/370 |
515 |
|
YB100L2-4/3.0 |
|
YB112M-4/4j0 |
460 |
1160 |
1901225 |
3651385 |
518 |
|
YB132S-2/7.5 |
1140 |
210 |
740 |
510 |
1210 |
490 |
440 |
210/240 |
315/430 |
30 |
260 |
460 |
558 |
|
YB160M1-2/11 |
1270 |
225 |
840 |
655 |
1355 |
540 |
490 |
255/240 |
160 |
385/485 |
280 |
480 |
605 |
|
YB160M2-2/15 |
|
YB160L-2/18.5 |
695 |
1395 |
|
YB180M-2/22 |
730 |
1430 |
285/240 |
430/525 |
625 |
|
YB200L1-2/30 |
142C |
250 |
940 |
803 |
1503 |
610 |
550 |
310/290 |
475/590 |
40 |
300 |
500 |
690 |
4-φ28 |
|
IH100-65-200 |
YB100L1-4/2.2 |
95 |
1140 |
210 |
740 |
430 |
100 |
500 |
140 |
1170 |
490 |
440 |
1801225 |
|
245/370 |
30 |
280 |
505 |
550 |
4-φ24 |
|
YB100L-4/3.0 |
|
YB112M-4/4.0 |
460 |
1200 |
1901225 |
265/385 |
553 |
|
YB132S-415.5 |
510 |
1250 |
210/240 |
315/430 |
578 |
|
YB132M-4/7.5 |
550 |
1290 |
|
YB160M-2/15 |
1270 |
225 |
840 |
655 |
1395 |
540 |
490 |
255/240 |
160 |
385/485 |
525 |
625 |
|
YB160L-2/18.5 |
695 |
1435 |
|
YB180M-2/22 |
730 |
1470 |
285/240 |
430/525 |
40 |
645 |
|
YB200L1-2/30 |
1420 |
250 |
940 |
803 |
1543 |
610 |
550 |
310/290 |
475/590 |
300 |
545 |
710 |
4-φ28 |
|
YB200L2-2/37 |
|
YB225M-2/45 |
340 |
158C |
3451290 |
530/615 |
320 |
545 |
710 |
|
IH100-65-250 |
YB100L2-4/3.0 |
110 |
1140 |
210 |
740 |
430 |
125 |
500 |
140 |
1195 |
490 |
440 |
1801225 |
|
2451370 |
30 |
300 |
550 |
570 |
4-φ24 |
|
YBI12M-4/4.0 |
460 |
1225 |
190/225 |
265/385 |
573 |
|
YB13252-4/5.5 |
510 |
1275 |
210/240 |
315/430 |
598 |
|
YB132M-4/7.5 |
550 |
1315 |
|
YB160M-4/11 |
127C |
225 |
840 |
665 |
1420 |
540 |
490 |
255/240 |
385/485 |
320 |
570 |
645 |
|
YB160L1-4/15 |
695 |
1460 |
|
YB180M-2/22 |
730 |
1495 |
285/240 |
200 |
4301525 |
665 |
|
YB200L1-2/30 |
1420 |
250 |
940 |
803 |
1570 |
610 |
550 |
310/290 |
475/590 |
|
340 |
590 |
736 |
4-φ28 |
|
YB200L2-2/37 |
|
YB225M-2/45 |
870 |
1635 |
345/290 |
530/615 |
40 |
340 |
590 |
750 |
|
YB250M-2/55 |
1620 |
290 |
1060 |
935 |
170C |
660 |
600 |
385/290 |
575/740 |
360 |
610 |
850 |
|
YB280S-2/75 |
1820 |
320 |
1200 |
101( |
1775 |
730 |
670 |
410/330 |
640/800 |
360 |
610 |
880 |
|
產品型號 |
電機型號功率(Kw) |
外形及安裝尺寸 |
|
A |
L1 |
L2 |
L3 |
k |
a |
f |
X |
L5 |
B2 |
B3 |
B4/B5 |
h1 |
h2/h2' |
h3 |
H |
H1 |
H2 |
n-d |
|
IH100-65-315 |
YB132S-4/5.5 |
110 |
1270 |
225 |
840 |
510 |
125 |
530 |
140 |
1305 |
540 |
490 |
210/240 |
|
315/430 |
30 |
345 |
625 |
643 |
4-φ24 |
|
YB132M-4/7.5 |
550 |
1345 |
|
YB160M-4/11 |
655 |
1450 |
255/240 |
385/485 |
670 |
|
YB160L-4/15 |
1420 |
250 |
940 |
695 |
1490 |
610 |
550 |
40 |
365 |
645 |
670 |
4-φ28 |
|
YB180M-4/18.5 |
730 |
1525 |
285/240 |
430/525 |
710 |
|
YB200L2-2/37 |
310/290 |
225 |
47S/590 |
755 |
|
YB225M-2/45 |
1620 |
290 |
1060 |
870 |
1665 |
660 |
600 |
345/290 |
S30/615 |
755 |
|
YB250M-2/55 |
935 |
1730 |
38S/330 |
575/740 |
385 |
665 |
875 |
|
YB280S-2/75 |
1820 |
320 |
120C |
1010 |
1805 |
730 |
670 |
410/330 |
640/800 |
385 |
665 |
905 |
|
YB280M-2/90 |
1060 |
1855 |
|
IH125-100-200 |
YB112M-4/4.0 |
110 |
1140 |
210 |
740 |
460 |
125 |
500 |
140 |
1225 |
490 |
440 |
190/225 |
200 |
265/385 |
30 |
300 |
580 |
573 |
4-φ24 |
|
YB132S-4/5.5 |
510 |
1275 |
210/240 |
315/430 |
598 |
|
YB132M-4/7.5 |
550 |
1315 |
|
YB160M-4/11 |
1270 |
225 |
840 |
655 |
1420 |
540 |
490 |
250/240 |
385/485 |
320 |
600 |
645 |
|
YB200L-2/30 |
1420 |
250 |
940 |
803 |
1568 |
610 |
550 |
310/290 |
475/590 |
40 |
340 |
620 |
730 |
4-φ28 |
|
YB200L2-2/37 |
|
YB225M-2/45 |
840 |
1605 |
345/290 |
530/615 |
340 |
620 |
730 |
|
YB250M-2/55 |
1620 |
290 |
1060 |
935 |
1700 |
660 |
600 |
385/330 |
575/740 |
360 |
640 |
850 |
|
YB280S-2/75 |
1820 |
320 |
1200 |
1010 |
1775 |
730 |
670 |
410/330 |
640/800 |
360 |
640 |
880 |
|
IH125-100-250 |
YB132S-4/5.5 |
110 |
1270 |
225 |
840 |
510 |
140 |
530 |
140 |
1320 |
540 |
490 |
210/240 |
|
315/430 |
30 |
345 |
625 |
643 |
4-φ24 |
|
YB132M-4/7.5 |
550 |
1360 |
|
|
YB160M-4/11 |
655 |
1465 |
255/240 |
385/485 |
670 |
|
|
YB160L-4/15 |
1420 |
250 |
940 |
695 |
1505 |
610 |
550 |
40 |
365 |
645 |
690 |
4-φ28 |
|
YB180M-4/18.5 |
730 |
1540 |
285/240 |
225 |
430/525 |
710 |
|
YB225M-2/45 |
1620 |
290 |
"060 |
840 |
1650 |
660 |
600 |
345/290 |
530/615 |
385 |
665 |
775 |
|
YB250M-2/55 |
935 |
1745 |
385/330 |
575/740 |
385 |
665 |
875 |
|
YB280S-2/75 |
1820 |
320 |
1200 |
1010 |
1820 |
730 |
670 |
410/330 |
640/800 |
385 |
665 |
905 |
|
YB280M-2/90 |
1060 |
1870 |
|
IH125-100-315 |
YB160M-4/11 |
110 |
1270 |
225 |
840 |
655 |
|
|
|
1465 |
540 |
490 |
255/240 |
|
385/485 |
|
370 |
685 |
695 |
4-φ24 |
|
YB160L-4/15 |
1420 |
250 |
940 |
695 |
1505 |
610 |
550 |
390 |
705 |
715 |
4-φ28 |
|
YB180M-4/18.5 |
730 |
1540 |
285/240 |
430/525 |
735 |
|
YB180L-4/22 |
750 |
1560 |
|
YB200L-4/30 |
803 |
140 |
530 |
140 |
1613 |
310/290 |
250 |
475/590 |
40 |
780 |
|
YB225S-4/37 |
845 |
1655 |
345/290 |
530/615 |
|
YB280S-2/75 |
1820 |
320 |
1200 |
1010 |
1820 |
730 |
670 |
410/330 |
640/800 |
410 |
725 |
930 |
|
YB280M-2/90 |
1060 |
1870 |
|
IH125-100-400 |
YB160L-4/15 |
130 |
1620 |
290 |
1060 |
695 |
140 |
530 |
140 |
1505 |
660 |
600 |
225/240 |
|
385/485 |
40 |
440 |
795 |
765 |
4-φ28 |
|
YB180M-4/18.5 |
730 |
1540 |
285/240 |
430/S2S |
785 |
|
YB180L-4/22 |
750 |
1560 |
|
YB200L-4/30 |
803 |
1613 |
310/290 |
280 |
47S/S90 |
836 |
|
YB225S-4/37 |
845 |
1655 |
345/290 |
530/615 |
850 |
|
YB225M-4/45 |
870 |
168C |
|
YB250M-4/55 |
935 |
1745 |
385/330 |
575/740 |
930 |
|
產品型號 |
電機型號功率(Kw) |
外形及安裝尺寸 |
|
A |
L1 |
L2 |
L3 |
L4 |
a |
f |
X |
L5 |
B2 |
B3 |
B4/B5 |
h1 |
h2/h27 |
h3 |
H |
H1 |
H2 |
n-d |
|
IH150-125-250 |
YB160M-4/11 |
110 |
270 |
225 |
840 |
655 |
140 |
530 |
140 |
1465 |
540 |
490 |
255/240 |
250 |
385/485 |
30 |
370 |
725 |
695 |
4-φ24 |
|
YB160L-4/15 |
1420 |
250 |
940 |
695 |
1505 |
610 |
550 |
40 |
390 |
745 |
715 |
4-φ28 |
|
YB180M-4/18.5 |
730 |
1540 |
285/240 |
430/525 |
735 |
|
YB180L-4/22 |
750 |
1560 |
|
YB220L-4/30 |
803 |
1613 |
310/290 |
475/590 |
780 |
|
YB225S-4/37 |
845 |
1655 |
345/290 |
530/615 |
|
IH150-125-315 |
YB180M-4/18.5 |
130 |
1620 |
290 |
1060 |
730 |
140 |
530 |
140 |
1540 |
660 |
600 |
285/240 |
280 |
430/525 |
40 |
440 |
775 |
785 |
4-φ28 |
|
YB180L-4/22 |
750 |
1560 |
|
YB200L-4/30 |
803 |
1613 |
310/290 |
475/S90 |
830 |
|
YB225S-4/37 |
840 |
1650 |
345/290 |
|
YB225M-4/45 |
870 |
1680 |
530/61S |
|
YB250M-4/55 |
935 |
1745 |
38S/330 |
STS/740 |
|
IH150-125-400 |
YB200L-4/30 |
110 |
1620 |
290 |
1060 |
803 |
140 |
530 |
140 |
1613 |
|
|
310/290 |
315 |
475/S90 |
40 |
475 |
875 |
865 |
4-φ28 |
|
YB225S-4/37 |
845 |
1655 |
660 |
600 |
325/290 |
S30/61S |
|
YB225M-4/45 |
870 |
1680 |
|
YB250M-4/55 |
935 |
1745 |
385/330 |
575/740 |
965 |
|
YB280S-4/75 |
1820 |
320 |
1200 |
1010 |
1820 |
730 |
670 |
410/330 |
640/800 |
995 |
|
YB280M-4/90 |
1060 |
1870 |
|
IH200-150-250 |
YB180L-4/22 |
130 |
1620 |
290 |
1060 |
750 |
160 |
530 |
180 |
1620 |
660 |
600 |
51.SSP.40 |
280 |
430/525 |
40 |
440 |
815 |
785 |
4-φ28 |
|
YB200L-4/30 |
803 |
1673 |
310/290 |
475/590 |
830 |
|
YB225S-4/37 |
840 |
1710 |
S30/615 |
|
YB225M-4/45 |
870 |
1740 |
345/290 |
|
YB250M-4/55 |
935 |
1805 |
385/330 |
575/740 |
930 |
|
YB280S-4/75 |
1820 |
320 |
1200 |
1010 |
1880 |
730 |
670 |
410/330 |
640/880 |
960 |
|
IH200-150-315 |
YB200L-4/30 |
130 |
1820 |
320 |
1200 |
803 |
160 |
670 |
180 |
1813 |
730 |
670 |
310/290 |
315 |
475/S90 |
|
475 |
875 |
865 |
4-φ28 |
|
YB225S-4/37 |
845 |
1855 |
34S/290 |
530/615 |
|
YB225M-4/45 |
870 |
1880 |
|
YB250M-4/55 |
935 |
1945 |
385/330 |
575/740 |
40 |
965 |
|
YB280S-4/75 |
1010 |
2020 |
410/330 |
640/800 |
995 |
|
YB280M-4/90 |
1060 |
2070 |
|
IH200-150-400 |
YB250M-4/55 |
130 |
1820 |
320 |
1200 |
935 |
160 |
670 |
180 |
1945 |
730 |
670 |
38S/330 |
|
575/740 |
40 |
475 |
925 |
965 |
4-φ28 |
|
YB280S-4/75 |
1010 |
2020 |
410/330 |
315 |
640/800 |
995 |
|
YB200M-4/90 |
1060 |
2070 |
IH型不銹鋼化工離心泵起動、運行與停止
IH型不銹鋼化工泵起動:
1、關閉進出口壓力(或真空)計和出水閥門、如有旁通管、此時也應關閉。起動電機(******先點動、確認泵轉向正確后,才開始正式運行)。然后打開進出口壓力(或真空)計,當泵達到正常轉速,且儀表指出相應壓力時,再慢慢打開出水閥門,調節到需要的工況。在吐出管路關閉的情況下,泵連續工作的時間,不能超過3分鐘。
2、IH型不銹鋼化工泵起動過程中要時時注意原動機的功率讀數及泵的振動情況,振動數不應超過0.06毫米,測定部位是軸承座。
3、IH型不銹鋼化工泵密封情況:機械密封應無泄漏、發熱現象、填料密封^I呈連續滴流狀態。
IH型不銹鋼化工泵運行:
1、經常檢查泵和電機的發熱情況(軸承的溫升不應超過75℃)及油位計供油情況。一般每運行1500小時后,要全部更換潤滑油一次。
2、不能用吸入閥來調節流量,避免產生汽蝕。
3、IH型不銹鋼化工泵不宜在低于30%設計流量下連續運轉,如果必須在該條件下連續運轉,則應在出口處安裝旁通管,排放多余的流量。
4、注意泵運轉有無雜音,如發現異常狀態時,應及時消除或停車檢查。
IH型不銹鋼化工泵停止:
1、緩慢關閉吐出口管路閘閥(如果泵在倒灌情況下使用,還要關閉吸入管路的閘閥)、并關閉各種儀表的開關。
2、切斷電源
3、如果IH型不銹鋼化工泵的密封采用外部引液時,還要關閉外引液閥門。
4、如果IH型不銹鋼化工泵使用環境溫度低于液體凝固點時,要放凈泵內的液體,以防凍裂。
5、如果IH型不銹鋼化工泵長時間停車不用,除將泵內的腐蝕性液體放凈外,各零部件應拆卸清洗干凈,尤其是密封腔。******是將泵拆下清洗后重新裝好,除涂油防銹處理和封閉泵進、出口外,還應定期檢。
IH型不銹鋼化工離心泵拆卸與裝配
IH型不銹鋼化工泵拆卸:
由于采用了加長聯軸器,拆卸泵時,不必拆卸進、出口管路,泵體和電機,只需拆下加長聯軸器中的中間聯軸器,即可拆出轉子部件,進行維修、保養。
1、拆下泵體上的泄液管堵和懸架體上的放油管堵,放凈泵內液體和懸架體內的潤滑油。(注:如泵上還有另外附加管路亦應拆下)。
2、拆開泵體與中間支架的聯結、并將中間支架、懸架部件和泵蓋等全部轉子部件從泵體中一起退出。
3、拆下葉輪螺母、取下葉輪和鍵。
4、將泵蓋連同軸套、機械密封端蓋和稞械密封等部件一起從軸上退出。注意勿使軸套相對于泵蓋等發生滑動,然后再拆下機械密封端蓋,將機械密封連同軸套一起取下,再將軸套和機械密封拆開。
5、拆下中間支架與懸架支架。
6、拆下泵聯軸器和鍵。
7、拆下懸架體兩端的防塵盤和軸承的前、后蓋,再將軸連同軸承一起從懸架體內取下。
8、從泵軸上拆下軸承。
IH型不銹鋼化工泵裝配:與拆卸程序相反進行。
注意事項
IH型不銹鋼化工泵可根據不同的使用條件安裝不同形式的機械密封,〈如內裝單端面平衡型和非平衡型, 雙端面平衡型及非平衡型,外裝式機械密封等。〉根據所選用密封型式的不同,其使用方法和注意事項也有所不同,具體情況請參閱機械密封安裝使用說明書、GB3215-82"煉廠、化工及石油化工流程用離心泵通用技術條件",下面僅提幾點一般應注意的事項。
1. 由于機械密封一般適用在清潔的,無懸浮顆粒的介質中使用,因此,對新安裝的管路系統和儲液灌,應認真沖洗干凈,嚴防固體雜質進入機械密封端面帀使密封失效。
2. 在易結晶的介質中,使用機械密封應注意經常沖洗。停車后重新起動前,要將機械密封上的結晶清洗干凈。
3. 拆卸機械密封應仔細,不許用手錘,鐵器等敲擊,以免破壞動、靜環密封面。
4. 如果有污垢拆不下來時,應設法清除污垢,沖洗干凈后再進行拆卸,以免損壞密封元件。
5. 安裝機械密封前,應檢查所有密封元件是否有失效或損壞,如有則應重新修復或更換。
6. 應嚴格檢查動環與靜環的相對磨擦密封面,不允許有任何細微的劃痕、碰傷等缺陷。所有另部件,包括泵體,葉輪,密封腔等在裝配前均應沖洗千凈,尤其是動、靜環端面,要用清潔,柔軟的布或棉紗認真擦拭干凈,然后涂上一層清潔的油脂或機油。
7. 裝配中要注意消除偏差,緊固螺釘時,要均勻擰緊,避免發生偏斜,使密封失效。
8. 正確調整彈黃的壓縮量,泵安裝好以后,以手扳動轉子時,應感覺到密封彈黃既有一定的壓縮量,而又能輕快、靈活地轉動沒有咬緊的感覺。如感覺太緊或盤不動,則應適當調松一些。
9.對有外部沖洗的機械密封,起動前應先開啟沖洗波,使密封腔內充滿密封液。停車時,先停泵,后關密封沖洗液。
IH型不銹鋼化工泵故障原因及排除方法
|
故障的可能原因 |
泵輸不出液體 |
流量、揚程不足 |
功率消耗過大 |
產生振動及躁音 |
密封處泄漏過多 |
軸封(包括填料函)發熱 |
泵過份發熱及轉不動 |
軸承發熱及軸承磨損 |
消除方法 |
|
泵內或吸入管內留有空氣 |
0 |
0 |
|
0 |
|
|
|
|
重新灌泵排除空氣 |
|
吸上揚程過高或灌注高不夠 |
0 |
0 |
|
0 |
|
|
|
|
降低泵位,增加進口處壓力 |
|
吸入管經過小或有雜物諸塞 |
0 |
0 |
|
0 |
|
|
|
|
加大吸入管徑,清除#塞 |
|
吸入管浸入深度不夠或漏氣 |
0 |
0 |
|
|
|
|
|
|
增大浸入深度或檢修管路 |
|
轉速過高或過低 |
0 |
0 |
0 |
|
|
|
|
|
按規定要求檢查原動機轉速 |
|
泵轉向不對 |
0 |
0 |
|
|
|
|
|
|
調整轉向 |
|
總揚程與泵揚程不符 |
0 |
0 |
0 |
|
|
|
|
|
降低吐出系統阻力或高度 |
|
介質重度與粘度與果要求不符 |
0 |
0 |
0 |
|
|
|
|
|
應進行換算 |
|
在流量過小時運轉產生振動 |
|
|
|
0 |
0 |
|
0 |
0 |
加大流量或設旁通循環管 |
|
泵與電機軸線不一致或軸穹曲 |
|
|
0 |
0 |
|
0 |
0 |
0 |
校正 |
|
轉動部分與固定部分有磨擦 |
|
|
0 |
0 |
|
|
0 |
0 |
檢修泵或改善使用.工況 |
|
軸承磨損嚴重或損壞 |
|
|
|
0 |
|
0 |
0 |
0 |
更換之 |
|
密封環磨損過多 |
|
0 |
0 |
|
|
|
|
|
更換之 |
|
軸套、'填料或動靜钚磨損過多 |
|
|
0 |
|
0 |
0 |
0 |
|
更換之 |
|
填料〈或機械密封)選用或安裝不當 |
|
|
0 |
|
0 |
0 |
0 |
|
按使用要求重新選用或安裝 |
|
轉動部分不平衡引起振動 |
|
|
|
0 |
0 |
0 |
0 |
0 |
檢查原因設法消除 |
|
油室油量過多(或油過臟) |
|
|
0 |
0 |
|
|
|
0 |
按油位要求計加油〖或換新油〉 |
|
管路或泵內有.雜物堵塞 |
0 |
0 |
|
0 |
|
|
|
|
檢查并排除 |
|
密封液壓力不當 |
|
|
|
|
0 |
0 |
|
|
應按密封腔前的壓力,加大0.049~0.147MPa |
|
填料壓蓋過緊或過松 |
|
|
0 |
|
0 |
0 |
|
|
適當調整之 |